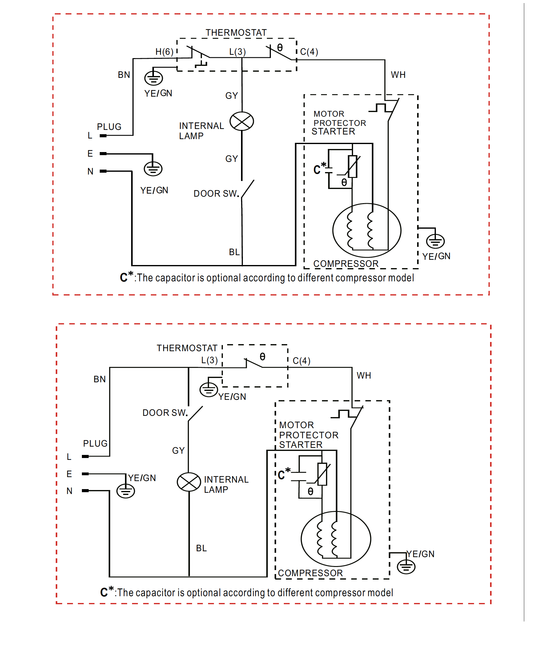
10.3 ANNEX A 

A3 - WIRING DIAGRAM